

全国免费客服电话 0519-86578911 百瑞彩票邮箱:wokclutch@aliyun.com
手机:13506119400
电话:0519-86578911
百瑞彩票地址:常州新北区禾佳路9号
百瑞彩票电动自行车内转子电机离合器技术参数表 E-bike Inner Rotor Motor Clutch Technical Specification
产品详情

| 电动自行车内转子电机离合器技术参数表 E-bike Inner Rotor Motor Clutch Technical Specifications Table | ||||||||
| 型 Product Code | 外径 external diameter | 齿顶圆直径 Addendum diameter | 齿根圆直径 Root circle diameter | 分度圆直径 Dividing circle diamerer | 齿数 Number of teeth | 模数 Modulus | 压力角 Pressure angle | 精度等级 Accuracy class |
| DLK077×22-25-X | 77 | 65.25 | 70.75 | 67.5 | 54 | 1.25 | 20° | 8GJ |
| DLK087×20.5-39-X | 87 | 76.3 | 81.1 | 78 | 78 | 1 | 20° | 8GJ |
| DLK94-Z63 | 94 | 61 | 65.5 | 63 | 63 | 1 | 20° | 8EG/GB1095 |
| DLK98-Z54 | 98 | 65.35 | 70.62 | 54 | 1.25 | 20° | GB10095-888GJ | |
| DLK99-Z54 | 99 | 65.35 | 70.62 | 54 | 1.25 | 20° | GB10095-888GJ | |
| DLK103.5-Z58 | 103.5 | 70 | 75.625 | 72.5 | 58 | 1.25 | 20° | 8级-GB/T10095 |
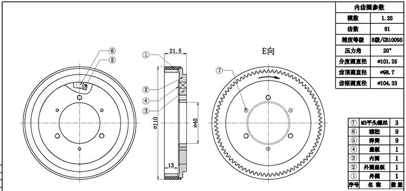
| DLK110×21.5-40-Z81 | 110 | 98.7 | 104.33 | 101.25 | 81 | 1.25 | 20° | 8级/GB10095 |
| DLK116-Z69 | 116 | 83.986 | 89.611 | 69 | 1.25 | 20° | GB10095-888GJ | |
| DLK124-Z60 | 124 | 86.85 | 93.6 | 90 | 60 | 1.5 | 20° | 8EG/GB1095 |
| DLK129-Z75 | 129 | 91.25 | 96.785 | 92.419 | 75 | 1.25 | 20° | JGMA 3级 |
| 1. 本产品适用于电动自行车轮毂电机(内转子电机) This product is suitable for electric bicycle wheel hub motors( Inner Rotor Motor) | ||||||||
产品介绍
百瑞彩票本款单向离合器主要应用于配备内转子电机的电动自行车,由本公司独立研发和生产。使用本离合器转子的动平衡效果更好,提升了电动自行车电机的使用性能,具有使用寿命长,耐高温,低噪音,性能更稳定等优点。
百瑞彩票Product description
This type of product is mainly used in electric bicycles equipped with inner rotor motors, and is independently developed and produced by our company. The use of the inner rotor motor clutch makes the dynamic balance better, improves the performance of the electric bicycle motor, and has the advantages of long service life, high temperature resistance, low noise, and more stable performance.
技术要求:
1. 额定工作扭矩80N·m,最大扭矩350N.m。
2. 面向E向时,内圈固定,外圈顺时针旋转离合器锁死,传递扭
矩。
Technical Requirements:
百瑞彩票1. The rated working torque is 80N · m, and the maximum torque is 350N. m.
2. When facing the E direction, the inner ring is fixed and the outer ring rotates clockwise to lock the clutch and transmit torque
Moment.
相关推荐