

全国免费客服电话 0519-86578911 百瑞彩票邮箱:wokclutch@aliyun.com
百瑞彩票手机:13506119400
百瑞彩票电话:0519-86578911
地址:常州新北区禾佳路9号
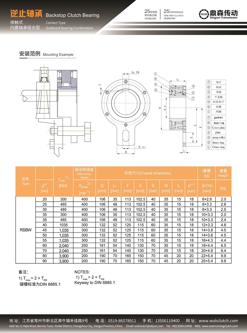
产品名称:RSBW楔块式单向离合器逆止器产品型号:RSBW45生产厂商:WOK鼎森传动产地:江苏常州作用:防止逆转类型:低运转速度工况应用行业:送料、切料机械、
产品详情
百瑞彩票产品名称:RSBW楔块式单向离合器逆止器
产品型号:RSBW45
百瑞彩票生产厂商:WOK鼎森传动
产地:江苏常州
作用:防止逆转
类型:低运转速度工况
百瑞彩票应用行业:送料、切料机械、渔业机械、起重机械设备单向离合器
具体介绍如下
1. 型号 RSBW为 FDC楔块式单向离合器。内含轴承支撑,使用平面(滑动)轴承支撑并定位,适用于低运转速度。
2. 主要应用于防止逆转,此型号特点为最小的空间内提供较大扭力,此型设计可适用于严苛环境需求,例如高度潮湿环境,或有水溅洒之区域。
3. 扭力臂之槽沟用螺丝固定于机壁,以提供力量防止逆转,螺丝与扭力臂沟槽之间隙为沟槽之1%宽度,扫力臂与轴承安装后绝不可有内应力存在,(安装时螺丝不可将扭力臂轴向锁住,径向亦留有间隙,即不会有弯曲应力施加于轴承及扭力臂上)。





相关推荐