

全国免费客服电话 0519-86578911 邮箱:wokclutch@aliyun.com
百瑞彩票手机:13506119400
电话:0519-86578911
地址:常州新北区禾佳路9号
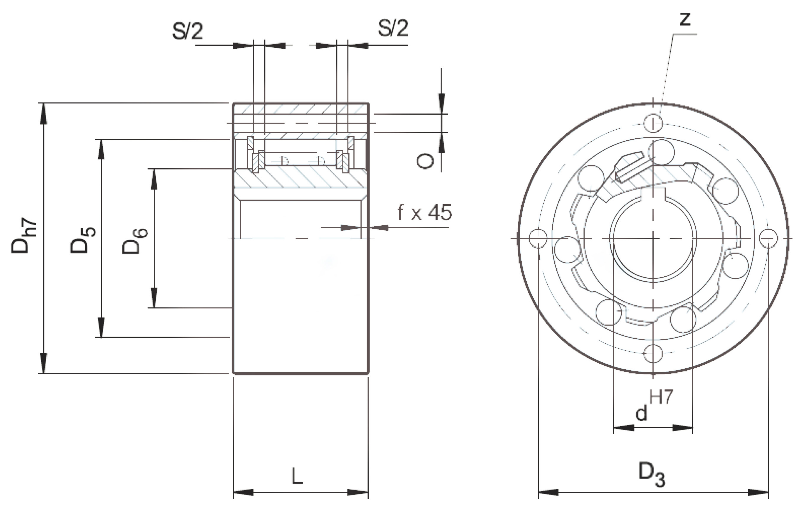
AA25单向离合器技术参数表型号额定扭矩[N.m]超越极限转速 [r/min]外形尺寸[mm]重量[kg]内圈外圈D h7D5D6D3ZfLsd1A
产品详情

| AA25单向离合器技术参数表 | |||||||||||||
| 型号 | 额定扭矩[N.m] | 超越极限转速 [r/min] | 外形尺寸[mm] | 重量[kg] | |||||||||
| 内圈 | 外圈 | D h7 | D5 | D6 | D3 | Z | f | L | s | d1 | |||
| AA12 | 17 | 3100 | 6000 | 47 | 28 | 20 | 38 | 3 | 0.5 | 20 | 4.5 | 5.5 | 0.21 |
| AA15 | 55 | 2300 | 5400 | 55 | 37 | 26 | 45 | 3 | 0.8 | 30 | 4.5 | 5.5 | 0.44 |
| AA20 | 146 | 2000 | 3600 | 68 | 50 | 35 | 58 | 4 | 0.8 | 34 | 5.5 | 5.5 | 0.7 |
| AA25 | 285 | 1700 | 2600 | 90 | 68 | 45 | 78 | 6 | 1 | 37 | 6.5 | 5.5 | 1.3 |
| AA30 | 500 | 1500 | 2100 | 100 | 75 | 50 | 87 | 6 | 1 | 44 | 6.5 | 6.6 | 2 |
| AA35 | 720 | 1300 | 1950 | 110 | 80 | 55 | 96 | 6 | 1 | 48 | 6.5 | 6.6 | 2.6 |
| AA40 | 1030 | 1200 | 1700 | 125 | 90 | 60 | 108 | 6 | 1.5 | 56 | 7.6 | 9 | 3.9 |
| AA45 | 1125 | 1050 | 1600 | 130 | 95 | 65 | 112 | 8 | 1.5 | 56 | 7.6 | 9 | 4 |
| AA50 | 2150 | 950 | 1300 | 150 | 110 | 75 | 132 | 8 | 1.5 | 63 | 7.6 | 9 | 6 |
| AA55 | 2675 | 850 | 1200 | 160 | 115 | 82 | 138 | 8 | 2 | 67 | 7.6 | 11 | 7.2 |
| AA60 | 3500 | 800 | 1100 | 170 | 125 | 90 | 150 | 10 | 2 | 78 | 7.6 | 11 | 9.2 |
| AA70 | 5813 | 650 | 900 | 190 | 140 | 100 | 165 | 10 | 2.5 | 95 | 7.6 | 11 | 11.8 |
百瑞彩票AA系列滚柱式单向离合器是由WOK鼎森传动研发生产的一款接触式(有内圈型)结构设计专业传动控制部件,凭借滚柱式核心传动机制、灵活的装配适配性及宽温域稳定工作能力,可精准实现动力单向传递与止逆功能,广泛应用于各类工业传动系统中。其结构设计兼顾传动可靠性与安装灵活性,配合科学的润滑保养方案,能有效提升设备传动效率、延长使用寿命,为工业生产的连续稳定运行提供核心保障。
百瑞彩票AA系列滚柱式单向离合器以精准的结构设计和严苛的适配标准,具备以下核心特性,全面匹配工业传动的高性能需求:
· 滚柱式传动核心:采用滚柱式单向传动结构,接触式传动设计确保动力传递精准高效,止逆响应迅速,能有效避免传动过程中的打滑、卡顿问题,保障动力传递的稳定性与可靠性;
· 灵活装配适配:产品为无轴承支撑设计,使用时可根据实际工况需求搭配适配轴承安装,既能有效承受轴向载荷与径向载荷,又能适配不同设备的传动结构布局,提升装配灵活性;
· 精准联接设计:内圈与轴采用键联接方式,联接牢固且传动精度高,能有效避免传动过程中的相对位移;外圈孔径公差严格控制为H7标准,可通过10.9级及以上高强度螺栓与机体稳定联接,确保整体传动结构的牢固性;
· 轴向偏差兼容:特殊结构设计允许内圈与外圈存在±S/2的轴向偏差,能有效抵消设备装配过程中的轻微偏差,降低装配精度要求,提升安装便捷性,同时避免偏差导致的传动磨损;
· 宽温域适配:搭配专用润滑介质可实现-40℃~+150℃宽温域稳定工作,能轻松适配高低温极端工业环境,无论是严寒地区的户外设备还是高温工况的生产流水线,均能保持稳定传动性能。
百瑞彩票基于其核心传动特性与载荷承受能力,AA系列滚柱式单向离合器除适配常规工业传动设备外,还可广泛应用于以下多元领域,精准匹配不同行业的传动控制需求:
· 通用机械领域:适配各类减速器、增速器、行星齿轮箱等传动设备,作为核心止逆部件,防止设备停机时出现倒转,保障传动系统安全;同时可用于中小型卷扬机、升降机的传动机构,实现单向承重与制动;
· 轻工制造领域:适用于纺织机械(如络筒机、并条机、织布机)、印刷机械(如平版印刷机、凹版印刷机)、包装机械(如自动包装机、贴标机、封箱机)等,精准控制传动方向,保障生产流水线的连续稳定运行;
· 自动化设备领域:可用于自动化生产线的输送机构(如皮带输送机、链式输送机)、机械手传动关节等,实现单向动力传递与定位制动,提升自动化设备的运行精度与稳定性;
· 工程机械领域:适配小型工程机械的辅助传动系统,如小型装载机、挖掘机的液压泵传动机构、卷扬机构等,承受一定载荷的同时实现可靠止逆,保障设备作业安全;
· 新能源设备领域:可用于小型光伏跟踪系统、风电设备的辅助传动单元,适应户外-40℃~+150℃的宽温域环境,实现单向传动控制,保障新能源设备的稳定运行;
· 汽车及零部件领域:适用于汽车发动机辅助机构(如水泵、发电机传动系统)、变速箱单向超越离合器等,凭借可靠的止逆性能与载荷承受能力,提升汽车传动系统的稳定性与使用寿命。
正确的安装方式是确保AA系列滚柱式单向离合器性能充分发挥的关键,需严格遵循以下安装要求:
· 百瑞彩票轴承搭配要求:产品无轴承支撑,安装时必须配合适配轴承使用,确保能有效承受设备运行过程中产生的轴向载荷与径向载荷,避免离合器因直接承受载荷导致磨损加剧;
· 联接规范:内圈与轴采用键联接,需确保键与键槽的精准适配,避免联接松动;外圈通过10.9级及以上高强度螺栓与机体联接,螺栓紧固力矩需符合设备要求,确保联接牢固;
· 公差控制:外圈孔径公差为H7标准,安装时需确保与机体安装孔的公差匹配,避免因公差偏差导致装配过紧或过松,影响传动精度;
· 轴向偏差控制:虽允许内圈与外圈存在±S/2的轴向偏差,但安装时应尽量控制偏差在最小范围,避免因偏差过大导致传动过程中产生异响或局部磨损;
· 润滑前置:安装完成后,正式投入使用前需加注规定的润滑介质,确保离合器内部传动部件充分润滑,避免干摩擦导致部件损坏。
百瑞彩票科学的维护保养能有效延长AA系列滚柱式单向离合器的使用寿命,降低使用成本,具体维护要求如下:
· 百瑞彩票润滑介质规范:必须使用2#锂基脂30%+70%机油充分搅拌均匀后的混合润滑介质,该介质可满足-40℃~+150℃的宽温域使用需求,能为传动部件提供稳定的润滑保护;
· 润滑周期要求:正常使用情况下,每月需补充加注一次润滑脂,确保内部部件始终处于充分润滑状态;若设备处于高频运转、高温或多粉尘等恶劣工况,需适当缩短润滑周期;
· 日常检查要点:定期检查离合器运行状态,查看是否存在异响、振动、漏油等异常情况;检查内圈与轴、外圈与机体的联接部位是否松动,发现问题及时停机处理;
· 百瑞彩票清洁保养:定期清理离合器表面及周边的粉尘、油污等杂物,避免杂物进入内部影响传动性能;拆卸维护时,需轻拿轻放,避免对离合器造成撞击或划伤;
· 存储要求:未安装使用的离合器需存放在干燥、通风、无腐蚀性气体的环境中,避免潮湿、粉尘及腐蚀介质影响部件性能;存放时需避免堆叠挤压,防止结构变形。
百瑞彩票生产厂商:WOK鼎森传动
百瑞彩票WOK鼎森传动专注于传动部件研发与生产,具备成熟的工艺体系和严格的质量控制标准,为AA系列滚柱式单向离合器提供可靠的品质保障。同时,厂商可提供专业的技术支持与完善的售后服务,助力客户解决产品选型、安装调试及维护保养等全流程问题,保障设备稳定高效运行。
百瑞彩票主要型号有:AA12,AA15,AA20,AA25,AA30,AA35,AA40,AA45,AA50,AA55,AA60,AA70
相关推荐