

全国免费客服电话 0519-86578911 邮箱:wokclutch@aliyun.com
手机:13506119400
百瑞彩票电话:0519-86578911
地址:常州新北区禾佳路9号
型号 Type尺寸Size超运转速度 Overrunning speeds主要尺寸 Main dimensions重量Weight阻力矩
产品详情

| 型号 Type | 尺寸Size | 超运转速度 Overrunning speeds | 主要尺寸 Main dimensions | 重量Weight | 阻力矩 Drag torque | ||||||||||
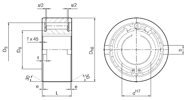
| dH7 [mm] | TKN1) [Nm] | nimax2) [min-1] | namax3) [min-1] | Dh6 [mm] | D5 [mm] | D6 [mm] | L [mm] | S [mm] | f [mm] | e [mm] | b [mm] | t [mm] | [kg] | TR [Ncm] | |
| AE | 12 | 17 | 3100 | 6000 | 37 | 28 | 20 | 20 | 4.5 | 0.5 | 0.8 | 6 | 3 | 0.11 | 0.7 |
| 15 | 55 | 2300 | 5400 | 47 | 37 | 26 | 30 | 4.5 | 0.8 | 1.2 | 7 | 3.5 | 0.3 | 3.5 | |
| 20 | 146 | 2000 | 3600 | 62 | 50 | 35 | 34 | 5.5 | 0.8 | 1.2 | 8 | 3.5 | 0.55 | 8.4 | |
| 25 | 285 | 1700 | 2600 | 80 | 68 | 45 | 37 | 6.5 | 1 | 1.8 | 9 | 4 | 0.98 | 14 | |
| 30 | 500 | 1500 | 2100 | 90 | 75 | 50 | 44 | 6.2 | 1 | 1.8 | 12 | 5 | 1.5 | 23 | |
| 35 | 720 | 1300 | 1950 | 100 | 80 | 55 | 48 | 3.8 | 1.5 | 1.8 | 13 | 6 | 2 | 60 | |
| 40 | 1030 | 1200 | 1700 | 110 | 90 | 60 | 56 | 3.8 | 1.5 | 1.8 | 15 | 7 | 2.8 | 72 | |
| 45 | 1125 | 1050 | 1600 | 120 | 95 | 65 | 56 | 3.8 | 1.5 | 2.6 | 16 | 7 | 3.3 | 140 | |
| 50 | 2150 | 950 | 1300 | 130 | 110 | 75 | 63 | 5.8 | 2 | 2.6 | 17 | 8 | 4.2 | 180 | |
| 55 | 2675 | 850 | 1200 | 140 | 115 | 82 | 67 | 3.8 | 2 | 2.6 | 18 | 9 | 5.2 | 190 | |
| 60 | 3500 | 800 | 1100 | 150 | 125 | 90 | 78 | 7.6 | 2 | 2.6 | 18 | 9 | 6.8 | 240 | |
| 70 | 5813 | 650 | 900 | 170 | 140 | 100 | 95 | 7.6 | 2.5 | 2.6 | 20 | 9 | 10.5 | 320 | |
产品名称:AE系列单向离合器
生产厂家:WOK鼎森传动
产品结构:接触式(有内圈型)
百瑞彩票主要型号:AE12,AE15,AE20,AE25,AE30,AE35,AE40,AE45,AE50,AE55,AE60,AE70
产品特性
百瑞彩票 AE型是滚柱式单向离合器,无轴承支撑。使用时需配合轴承安装,以承受轴向载荷与径向载荷。使用时需加注润滑脂。采用油润滑。公称外径是一个标准的球轴承尺寸。
百瑞彩票 这种离合器的典型使用就是与一个具有相同定位公差的轴承一起安装。离合器的内圈用键固定在轴上,外圈有h6等级的正公差,可以压入公差等级为K7的座孔,外圈端面键槽传递正向扭矩。如果座孔的公差等级是R6,就不需要键槽,但外圈座必须有足够的强度,避免装配后变形。
内外圈的设计允许轴向有±S∕2的偏差。
使用维护保养说明
使用润滑油脂2#锂基脂30%+ 70%机油充分搅拌均匀,油脂要求温度范围-40℃~+150℃。正常使用情况下每个月加一次润滑脂。
相关推荐